2025-08-22
高精度运放 | 力芯微推出高精度运算放大器ET85502
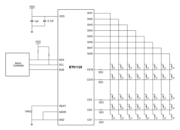
在智能家电与便携设备追求极致视觉体验的今天,力芯微推出16×8恒流LED矩阵驱动芯片ET61128,该芯片以精准电流控制、高效通讯、智能保护系统和低功耗设计等亮点,广泛应用于家电、智能便携设备及玩具等领域,为各类显示需求提供高效解决方案。
ET61128的工作电压为2.7~5.5V,最大支持16×8阵列显示,可驱动128个LED,16路恒流输出,电流最大达49.2mA,通过外接电阻可以灵活调节输出电流。芯片支持全局32档电流调节,以及每通道4档独立微调,能够精准匹配多样LED负载。每点还支持256级PWM精细调光,实现平滑渐变与动态效果,提升用户体验,满足多样化亮度需求。
ET61128采用标准I²C接口,支持400KHz高速通讯,具备连续读写功能,4个片地址可选,方便多设备协同工作。芯片内部集成开短路检测、软硬件关断、扩频及消隐功能,确保系统稳定运行,延长LED寿命。静态电流低至3mA,关断模式功耗仅3uA,延长电池设备续航。封装采用QFN32(4mm×4mm)和LQFP32(7mm×7mm),可适应不同空间需求。
特点:
● 电源电压范围 2.7~5.5V
● 最大应用点阵16×8,最大驱动128个LED
● 16路恒流驱动,输出电流最大49.2mA
● 利用一个外接电阻,可设置电流输出值
● 整体电流支持32档调节
● 每一路恒流通道支持4档调节
● 每点支持256级辉度调节
● I2C通讯接口,400KHz通讯速率,具有4个片地址
● 开短路检测功能
● 软硬件关断功能
● 扩频功能
● 消隐功能
● 封装:QFN32(4mm×4mm)和LQFP32(7mm×7mm)
典型应用

管脚定义

